BZD-80N有铁芯直线电机优势:
★ 持续推力可达到80N,重复定位精度可达1um;
★ 行程可无限延长,稳定可靠;
★ 刚性高,寿命长,噪音小;
★ 高加速度,可根据客户需求定制;
★ 机构简单,操作及维护方便;
★ 标准型直线电机库存充足,无备货期。
深圳市仲博cbin机器人有限公司位于广东省深圳市,是一个朝气蓬勃、富于创新的年轻团队,公司创立以来即本着「团结协作」「利益共享」「求实创新」「共同发展」之经营理念,以满足客户的需求为职志。
BZD-80N有铁芯直线电机广泛应用于电子与半导体设备、UV喷绘行业、UV印染行业、UV印刷行业、精密数控机床、高端医疗器械、手机检测行业、玻璃检测行业等领域。目前公司是苹果手机的二级供应商,与高铁中国南车(株洲)、深圳航天科技创新研究院、哈工大(深圳)研究所有深度合作。
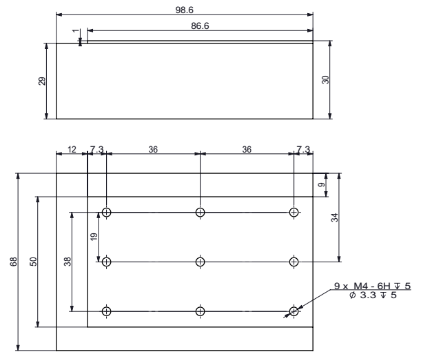
BZD-80N有铁芯直线电机动子尺寸参考图:

仲博cbin直线电机部分应用案例:

BZD-80N有铁芯直线电机参数:
| 规格名称 | 单位 | BZD-80N |
| 峰值推力 | N | 306.0 |
| 持续推力 | N | 80.0 |
| 峰值电流 | Arms | 12 |
| 持续电流 | Arms | 3.1 |
| 重复定位精度 | um | 1 |
| 推力常数 | N/Arms | 23.3 |
| 反向电动势 | V/m/s | 28.7 |
| 相间阻抗 | ohms | 3.1 |
| 相间电感 | N/(W1/2) | 2.9 |
| 电气时间常数 | ms | 0.92 |
| 最大端电压 | Vdc | 600 |
| 最大绕组温度 | ℃ | 120 |
| 磁力引力 | N | 0.0 |
| 定子可定制长度 | mm | 客户自选 |
| 电周期长度 | mm | 60 |
